• 手机:13724352725

  • 邮箱:liliangbin@szsyjm.com

  • 电话:0755-27215304

SY150130-BBT40-M25-EC
  • SY150130-BBT40-M25-EC
SY150130-BBT40-M25-EC

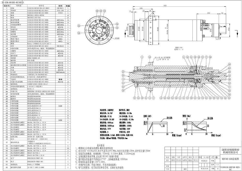
[敏感词]转速:1.3万转,[敏感词]频率:1200Hz,功率:24.7kW,电机类型:永磁同步电机,电压:380V,额定电流:57.8A,额定扭矩:(N.m)39.3,刀具接口:BBT40

联系我们
Shenzhen ShunYuan precision Machinery Co., Ltd.
Address:A2 Building,Second row,Baishixia west area,Fuyong Town, Baoan District, Shenzhen
Tel: 86-755-27215304
Product customization contact:
Li'R:1382331657913823316579
E-mail: liliangbin@szsyjm.com
Sales contact:
Zhou'R:1595099515815950995158
E-mail: zhoubin@szsyjm.com
Copyright: Shenzhen ShunYuan precision Machinery Co., Ltd. All right reserved    Tel: 86-755-27215304